
Pentru verificarea stocurilor și afisarea prețului este necesar să vă logați.
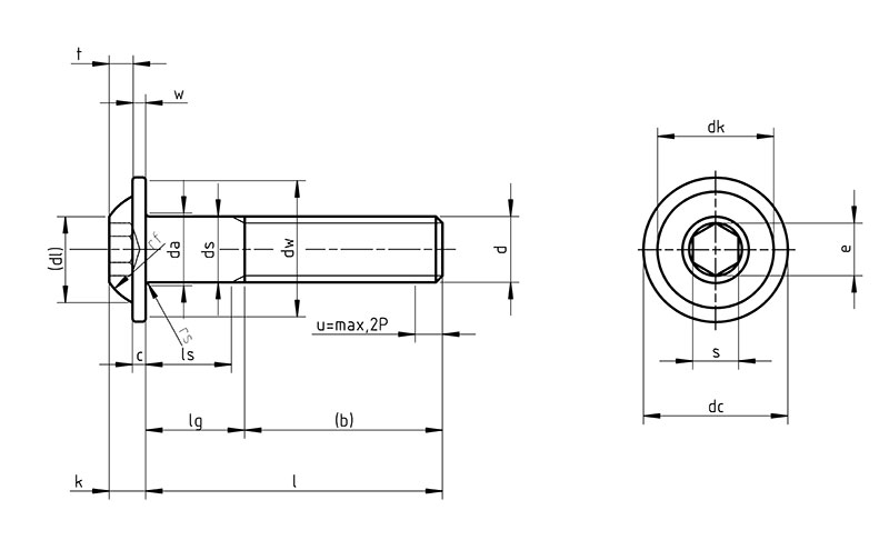
ISO 7381 FL este un șurub cu cap hexagonal bombat și guler, prevăzut cu locaș hexagonal, ideal pentru aplicații industriale și de construcții care necesită o fixare sigură și estetică. Acest șurub cap bombat oferă un design robust și atractiv, combinând capul bombat cu un guler integrat, care distribuie uniform presiunea pe suprafața de contact, prevenind deteriorarea materialului. Surubul cu cap bombat și locas hexagonal permite montarea precisă și rapidă cu o cheie imbus, asigurând o prindere fermă și sigură.
... Vezi mai multPentru verificarea stocurilor și afisarea prețului este necesar să vă logați.
ISO 7381 FL este un șurub cu cap hexagonal bombat și guler, prevăzut cu locaș hexagonal, ideal pentru aplicații industriale și de construcții care necesită o fixare sigură și estetică. Acest șurub cap bombat oferă un design robust și atractiv, combinând capul bombat cu un guler integrat, care distribuie uniform presiunea pe suprafața de contact, prevenind deteriorarea materialului. Surubul cu cap bombat și locas hexagonal permite montarea precisă și rapidă cu o cheie imbus, asigurând o prindere fermă și sigură.