Ghiroda, Calea Lugojului, nr. 48A
307200, Timis, Romania
Comenzi & Info
+40 356. 464. 047
Suport clienti
hexagon@suruburitimisoara.ro
Pentru comenzi >500 lei + TVA
livrarea este gratuita
Calitate garantata
Garantie 2 ani
COSUL MEU
TOTAL:
0
LEI
LOGIN
CLIENTI
Organe asamblare
⚡ PRODUSELE LUNII
Lichidare stoc
🎁 NOUTĂȚI
Branduri
Catalog Produse
Produse
Organe asamblare
Lichidare stoc
⚡ PRODUSELE LUNII
🎁 NOUTĂȚI
Branduri
Catalog Produse
Companie
Blog
Contact
PRODUSE
CAUTA
Organe asamblare
Suruburi
Cap Hexagonal
Cap Imbus
Stifturi Filetate
Dopuri Filetate
Forme speciale de suruburi
+ Vezi mai multe categorii
Suruburi pentru lemn
Holșuruburi pentru PAL
Cap Hexagonal pentru lemn
Șuruburi pentru lemn
Suruburi pentru tabla
Autoforante
Autofiletante
Cu aripi
Suruburi formatoare filet si pentru plastic
Formator Filet
Suruburi pentru plastic
Piulite
Hexagonale
Autoblocare
Sudare
Forme speciale
Intinzatoare
+ Vezi mai multe categorii
Insertii
Insertii Filetate
Insertii elicoidale, de reparat filete
Insertii dupa desen
Saibe
Plate
Blocare
Patrate
Arc Disc
Inele ajustare
+ Vezi mai multe categorii
Stifturi
Paralele
Canelate
Conice
Elastice
Splinturi, Articulatii
Ancore, Articole fixare
Ancore Mecanice
Dibluri
Suruburi beton
Bicomponent
Alte articole fixare
Popnituri, Piulite nituibile, Nituri
Popnituri
Piulite nituibile
Nituri
Produse MILWAUKEE
Scule pe acumulator
Acumulatori
Incarcatoare
Invertor
Seturi acumulator si incarcator
Gaurire si spargere
+ Vezi mai multe categorii
Produse grădinărit
Mașini de tuns gazonul
Fierăstraie cu lanț
Suflante
Trimmere pentru gard viu
Pulverizatoare
+ Vezi mai multe categorii
Scule pe fir
Spargere
Gaurire si spargere
Fixare
Debitare si decupare
Polizoare si masini de lustruit
+ Vezi mai multe categorii
Echipamente de lucru si protectie
Echipament de lucru
Jachete si hanorace incalzite
Mănuși de protecție
Ochelari de protecție
Pantaloni
+ Vezi mai multe categorii
Iluminat
Instrumente profesionale de iluminat
Lampi de mana
Iluminarea spatiului de lucru
Proiectoare turn
Depozitare
PACKOUT™
Curele, genti, rucascuri
Cutii HD, insertii si carucioare
Atașamente laterale PACKOUT™
Produse termoizolante PACKOUT™
Echipament MX FUEL
Debitare
Spargere
Desfundare Tevi
Carotare Diamantata
Iluminare
+ Vezi mai multe categorii
Scule de mana
Instrumente de masurat
Nivele
Markere si stilouri INKZALL
Clesti
Foarfece
+ Vezi mai multe categorii
Produse specifice
Suflante si ventilatoare
Compresoare
Pistoale aplicare silicon
Polizare anvelope
Pistoale gresare
+ Vezi mai multe categorii
Accesorii
Gaurire
Daltuire
Fixare
Debitare si decupare
Indepartare materiale
Accesorii specifice sculei
Accesorii pentru polizoare
Desfundat si curatat
Masini de slefuit cu banda
Masini de frezat gauri pentru nuturi
Tragere cabluri electrice
+ Vezi mai multe categorii
Produse abrazive
Generatoare și accesorii
Dispozitive de ridicat
Scule de mână și unelte
Scule așchietoare
Lanțuri și cabluri
Adezivi și etanșare
Produse HUSQVARNA
Produse KARNASCH
Produse FISCHER
Produse PROMO
Pachete promoționale
Produse granit
Roți industrial și role
Produse alsafix
Organe asamblare
Toate produsele din Organe asamblare
Suruburi
Suruburi inch
Suruburi cu ochi si carlige
Tije filetate
Prezoane
Suruburi pentru lemn
Suruburi pentru tabla
Suruburi formatoare filet si pentru plastic
Suruburi pentru constructii
Piulite
Insertii
Saibe
Stifturi
Ancore, articole fixare
Popnituri, piulite nituibile, nituri
Pene paralele
Manete, manere
Produse milwaukee
Toate produsele din Produse milwaukee
Scule pe acumulator
Produse grădinărit
Scule pe fir
Încălțăminte
Set scule
Echipamente de lucru si protectie
Iluminat
Depozitare
Echipament mx fuel
Scule de mana
Produse specifice
Accesorii
Accesorii specifice sculei
Produse abrazive
Generatoare și accesorii
Dispozitive de ridicat
Scule de mână și unelte
Scule așchietoare
Lanțuri și cabluri
Adezivi și etanșare
Produse husqvarna
Produse karnasch
Produse fischer
Produse promo
Toate produsele din Produse promo
Pachete promoționale
Produse granit
Roți industrial și role
Produse alsafix
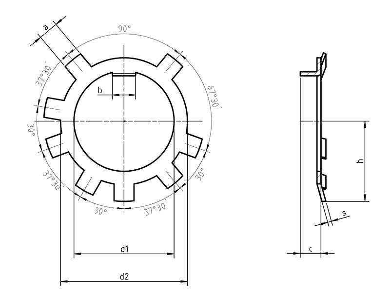
DIN 70952 Saiba de siguranta, forma A - pentru piulita DIN 70852
Home
»
Blocare
»
Saibe
»
Blocare
DIN 70952 Saiba de siguranta, forma A - pentru piulita DIN 70852
Home
»
Blocare
»
Saibe
»
Blocare
COD: DIN 70952
COD: DIN 70952
Imaginile prezentate pe site au caracter informativ ❗
Pentru verificarea stocurilor și afisarea prețului este necesar să vă logați.
...
Vezi mai mult
Produsul este disponibil la comandă.
Comandă
Share:
Detalii
Pentru verificarea stocurilor și afisarea prețului este necesar să vă logați.
BLOG
06 MAI
Red Solution Tour 26 – evenimentul anului la Timișoara în domeniul sculelor profesionale, găzduit de Hexagon România
Red Solution Tour 26 vine la Hexagon România pentru o singură zi, cu soluții profesionale, energie, tehnologie și premii atractive.
Vezi detalii
Abonare
Newsletter
INFORMAȚII
Home
Catalog Produse
Companie
Suport clienti
Lichidare de stoc
Producători
Blog
Contact
PRODUSE
Organe asamblare
Produse MILWAUKEE
Produse abrazive
Generatoare și accesorii
Dispozitive de ridicat
Scule de mână și unelte
Scule așchietoare
Lanțuri și cabluri
Adezivi și etanșare
Produse HUSQVARNA
Produse KARNASCH
Produse FISCHER
Produse PROMO
Suport clienti
Termeni și condiții
Garanția produselor
Politica de retur
Politică de utilizare cookie
Politică de confidențialitate
Politică de livrare
Regulamente
MAGAZIN ONLINE
Înregistrare cont nou
Recuperare parolă
Contul meu
Comenzile mele
Coș de cumpărături
Preferinte cookies
Ghiroda, Calea Lugojului, nr. 48A
307200, Timis, Romania
Comenzi & Info
+40 356. 464. 047
Suport clienti
hexagon@suruburitimisoara.ro
Pentru comenzi >500 lei + TVA
livrarea este gratuita
© Copyright 2026 Hexagon Srl
Web design by Royalty
Free cookie consent management tool by
TermsFeed
PRODUSELE LUNII
Asistent produse
Găsește rapid șuruburi, scule și accesorii
×
Cum vrei să ne contactezi?
Discută pe chat
Sună acum